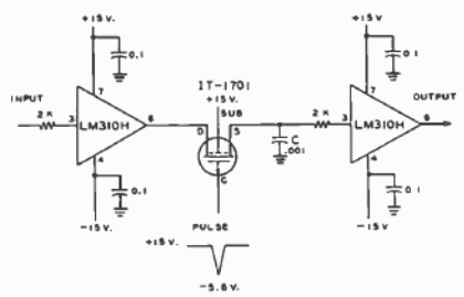
Este circuito se encontró en un Radio Handbook de 1977. El MOSFET admite un equivalente. El capacitor C debe tener poca fuga.

Muestreo y retención con FET
Este circuito se encontró en un Radio Handbook de 1977. El MOSFET admite un equivalente. El capacitor C debe tener poca fuga.
