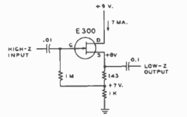
Este circuito tiene una impedancia de entrada muy alta y una impedancia de salida muy baja. Lo encontramos en un Radio Handbook fe 1977. Se puede aplicar a cualquier FET.

Seguidor de fuente
Este circuito tiene una impedancia de entrada muy alta y una impedancia de salida muy baja. Lo encontramos en un Radio Handbook fe 1977. Se puede aplicar a cualquier FET.
