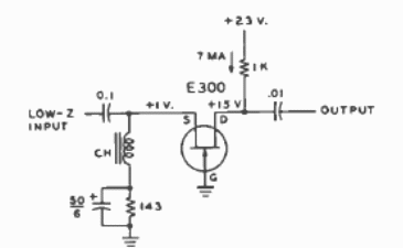
Este circuito FET se obtuvo de un Radio Handbook de 1977. La impedancia de entrada es de 150 ohms. La salida es de alta impedancia.

Paso de puerta común
Este circuito FET se obtuvo de un Radio Handbook de 1977. La impedancia de entrada es de 150 ohms. La salida es de alta impedancia.
