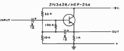
Este paso de amplificador con un transistor tiene una impedancia de entrada de 100k a 10 M. El transistor puede ser cualquier propósito general. El circuito es de un Radio Handbook de 1977.

Paso transistorizado de alta impedancia
Este paso de amplificador con un transistor tiene una impedancia de entrada de 100k a 10 M. El transistor puede ser cualquier propósito general. El circuito es de un Radio Handbook de 1977.
