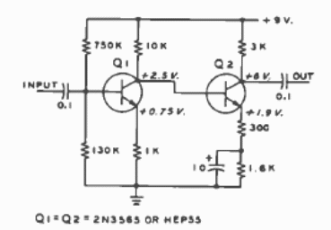
Este amplificador de dos transistores se obtuvo de un Radio Handbook de 1977. La configuración es válida para transistores equivalentes modernos.

Amplificador de acoplamiento directo
Este amplificador de dos transistores se obtuvo de un Radio Handbook de 1977. La configuración es válida para transistores equivalentes modernos.
