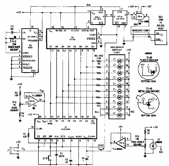
Encontrado en una electrónica popular de los años 90, este circuito hace uso de un integrado de la era poco común en la actualidad. El circuito sirve como referencia.

Convertidor AD a PC
Encontrado en una electrónica popular de los años 90, este circuito hace uso de un integrado de la era poco común en la actualidad. El circuito sirve como referencia.
