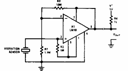
Encontrado en documentación de National Semiconductor de los años 90, este circuito utiliza un sensor piezoeléctrico. En su lugar, se puede probar un capacitor cerámico de alto valor que sea sensible a las vibraciones.

Sensor de vibración
Encontrado en documentación de National Semiconductor de los años 90, este circuito utiliza un sensor piezoeléctrico. En su lugar, se puede probar un capacitor cerámico de alto valor que sea sensible a las vibraciones.
