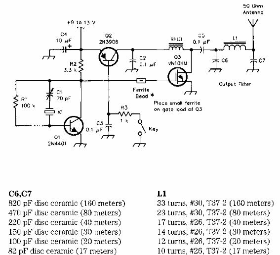
Encontrado en una revista QST de los años 90, este circuito transmite en varias bandas de radioaficionados dependiendo de la bobina. Los datos para la bobina y el cristal se proporcionan al lado del diagrama.

Transmisor CW de 1W
Encontrado en una revista QST de los años 90, este circuito transmite en varias bandas de radioaficionados dependiendo de la bobina. Los datos para la bobina y el cristal se proporcionan al lado del diagrama.
