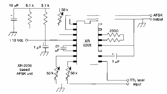
Este circuito se obtuvo en una revista para radioaficionados 73 de los 90. El circuito se basa en el XR2206, que no es un componente que se encuentre fácilmente en la actualidad.

Generador FSK
Este circuito se obtuvo en una revista para radioaficionados 73 de los 90. El circuito se basa en el XR2206, que no es un componente que se encuentre fácilmente en la actualidad.
