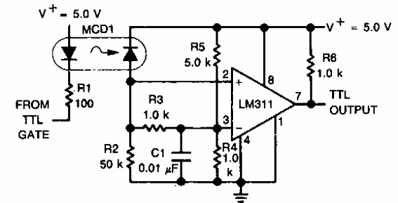
Este escudo de transmisión se encontró en la documentación de National Semiconductor de la década de 1980. Su activación es compatible con la salida de microcontroladores.

Shield de isolador óptico
Este escudo de transmisión se encontró en la documentación de National Semiconductor de la década de 1980. Su activación es compatible con la salida de microcontroladores.
