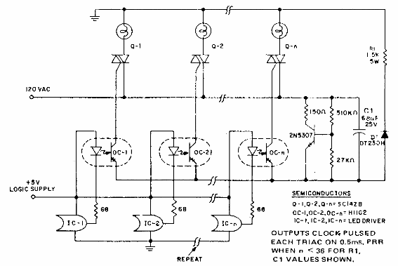
Este circuito con acopladores ópticos se encontró en la documentación de General Electric de los años 80. Los acopladores pueden ser de tipos modernos y la excitación de los LED se puede hacer directamente a través de las salidas del microcontrolador.

Shield para triac



