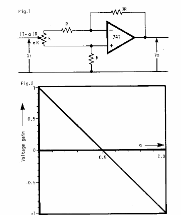
Este circuito amplificador operacional con ganancia variable se obtuvo en una Electronics Engineering de los años 80. El circuito se aplica a otros amplificadores operacionales.

Operacional con ganancia variable
Este circuito amplificador operacional con ganancia variable se obtuvo en una Electronics Engineering de los años 80. El circuito se aplica a otros amplificadores operacionales.
