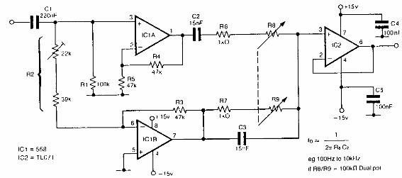
Encontrado en una Electronics Engineering de los 80, este circuito puede sintonizar la frecuencia a rechazar. La fuente de alimentación debe ser simétrica.

Filtro de rechazo sintonizable
Encontrado en una Electronics Engineering de los 80, este circuito puede sintonizar la frecuencia a rechazar. La fuente de alimentación debe ser simétrica.
