Encontrado en la documentación de Exar de la década de 1980, este circuito tiene un límite de 60 dB a 1800 Hz. El circuito se puede adaptar para operar en otras frecuencias.

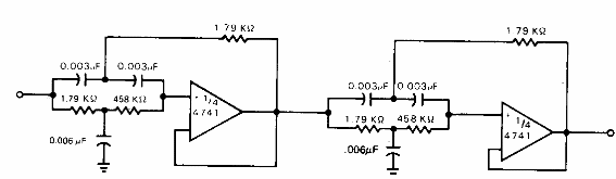
Filtro de rechazo de 1800 Hz
Encontrado en la documentación de Exar de la década de 1980, este circuito tiene un límite de 60 dB a 1800 Hz. El circuito se puede adaptar para operar en otras frecuencias.
