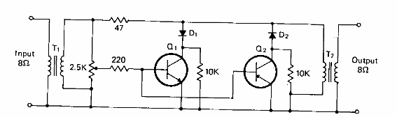
Este circuito se encontró en la documentación de los años 80. Está alimentado por la señal de audio que debe cortar. Los transformadores son los componentes críticos y los transistores son 2N2222.

Limitador de audio
Este circuito se encontró en la documentación de los años 80. Está alimentado por la señal de audio que debe cortar. Los transformadores son los componentes críticos y los transistores son 2N2222.
