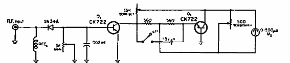
Este circuito sintonizado utiliza uno de los primeros transistores comerciales del mundo, el CK722, que se encontró en una publicación de 1966. Se pueden utilizar tipos modernos equivalentes.

Medidor de intensidad de campo
Este circuito sintonizado utiliza uno de los primeros transistores comerciales del mundo, el CK722, que se encontró en una publicación de 1966. Se pueden utilizar tipos modernos equivalentes.
