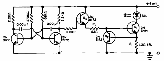
Este pulsador para LED de hasta 500 mA se encontró en la documentación de General Electric de 1970. Los transistores se pueden reemplazar por tipos equivalentes actuales.

Pulsador para LED
Este pulsador para LED de hasta 500 mA se encontró en la documentación de General Electric de 1970. Los transistores se pueden reemplazar por tipos equivalentes actuales.
