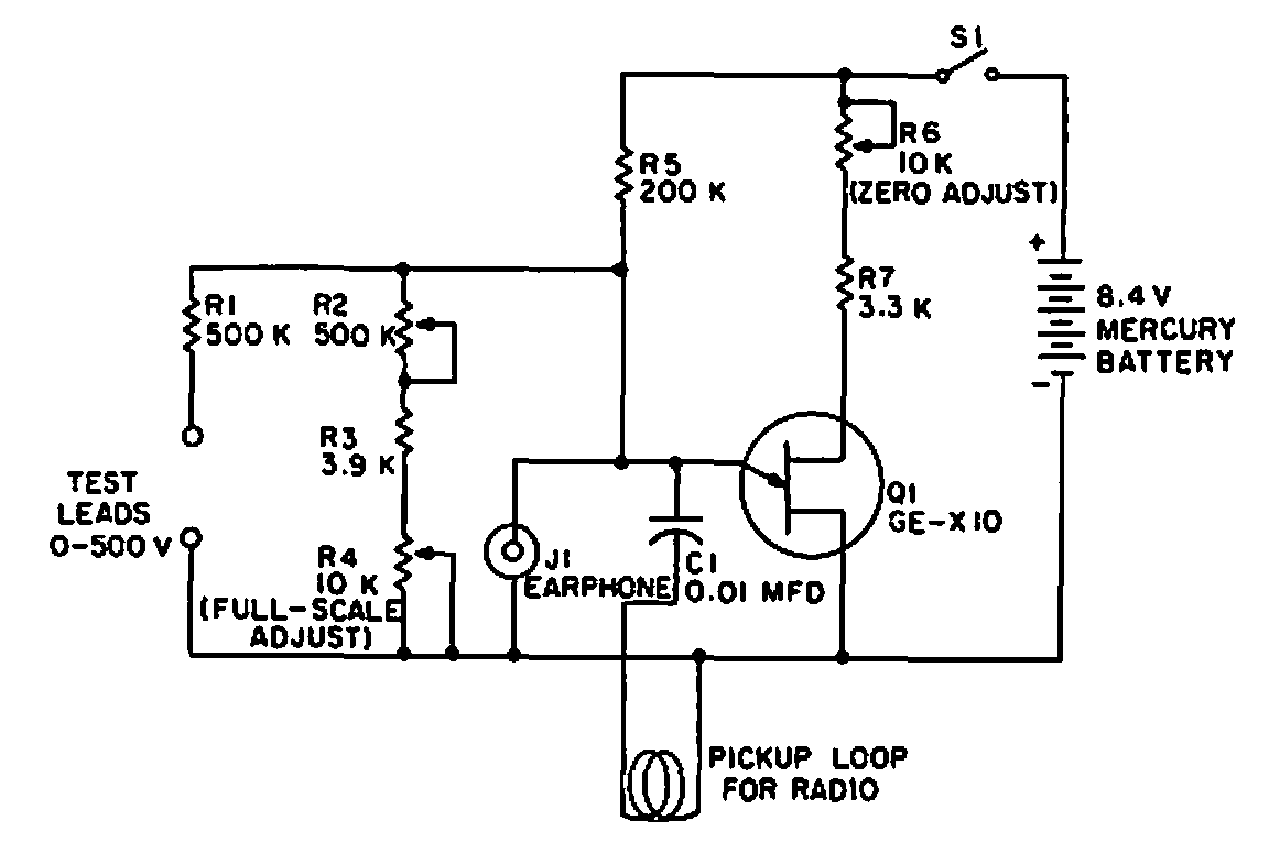
Sugerido por el Manual de General Electric Hobby de 1965, este circuito mide tensiones de 0 a 500 V con una resistencia de entrada de 500k que funciona como un puente cuyas señales se pueden detectar por teléfono o una radio AM cercana. R2 tiene la escala de tensión utilizada para detectar el punto cero.




