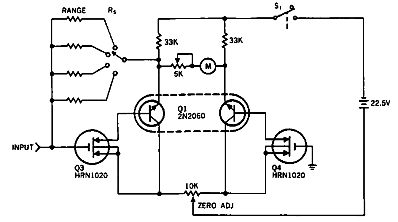
Sugerido por Hughes en una documentación de 1968, este circuito utiliza un par de transistores casados y MOSFET de la época. El circuito es capaz de medir corrientes extremadamente bajas de acuerdo con los valores de derivación utilizados.

 

Picoamperímetro
Picoamperímetro | Haga click en la imagen para ampliar |