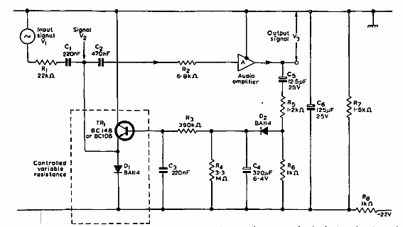
Este circuito se encontró en una publicación Mullard de 1969. El transistor puede ser el equivalente moderno de BC548. Observe la tensión de alimentación relativamente alta.

AGC para grabadoras
Este circuito se encontró en una publicación Mullard de 1969. El transistor puede ser el equivalente moderno de BC548. Observe la tensión de alimentación relativamente alta.
