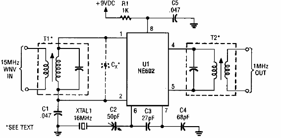
WWV es el prefijo de la estación de patrones de frecuencia y tiempo de los Estados Unidos. Estas señales se pueden usar para la calibración y ajustes del equipo. Este circuito permite recibir las señales de 15 MHz de esta estación en una radio AM en 1 MHz. Nos encontramos en una Popular Electronics de los años 90.

WWV Converter



