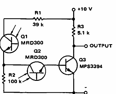
Este circuito se encontró en la documentación de Motorola de 1968. El circuito se puede implementar con prácticamente cualquier foto transistor y transistor de propósito general.

Controlador óptico lógico
Este circuito se encontró en la documentación de Motorola de 1968. El circuito se puede implementar con prácticamente cualquier foto transistor y transistor de propósito general.
