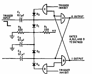
Encontrado en una documentación de 1968, este circuito se puede aplicar a cualquier lógica. En este caso tenemos un ejemplo para TTL

Flip Flop Set Reset
Encontrado en una documentación de 1968, este circuito se puede aplicar a cualquier lógica. En este caso tenemos un ejemplo para TTL
