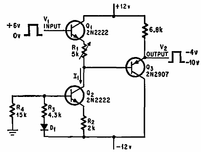
Este circuito transforma las señales de 0 y 6 V en señales de -4 a 10 V y puede usarse en un shield. El circuito usa transistores que todavía son comunes hoy en día.

Modificador de nivel lógico
Este circuito transforma las señales de 0 y 6 V en señales de -4 a 10 V y puede usarse en un shield. El circuito usa transistores que todavía son comunes hoy en día.
