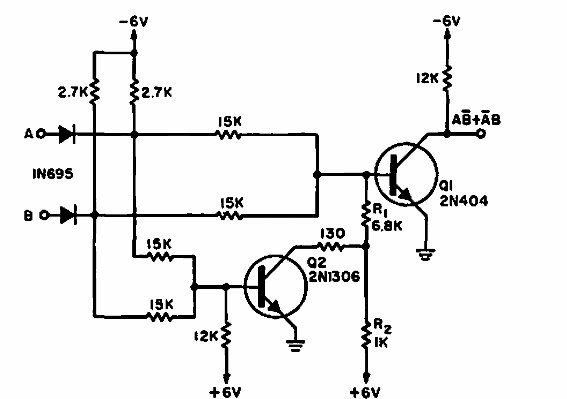
Este circuito se obtuvo en una Electronic Design de 1964. Se pueden utilizar transistores modernos equivalentes. El circuito requiere una fuente de alimentación simétrica de 6 V.

O exclusivo con transistores
Este circuito se obtuvo en una Electronic Design de 1964. Se pueden utilizar transistores modernos equivalentes. El circuito requiere una fuente de alimentación simétrica de 6 V.
