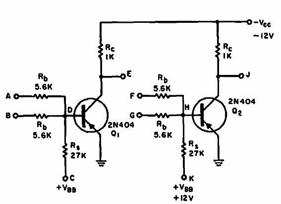
Encontrado en una Electronic Design de 1965, este circuito consta de puertas NOR y se puede utilizar en multivibradores monoestable y astable.

Convertidor de nivel lógico
Encontrado en una Electronic Design de 1965, este circuito consta de puertas NOR y se puede utilizar en multivibradores monoestable y astable.
