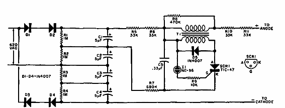
Este circuito, de una Popular Electronics de 1969, está destinado al disparo LÁSER de gas de la época. El circuito utiliza un transformador de alta tensión para el disparo.

Arranque automático para LASER
Este circuito, de una Popular Electronics de 1969, está destinado al disparo LÁSER de gas de la época. El circuito utiliza un transformador de alta tensión para el disparo.
