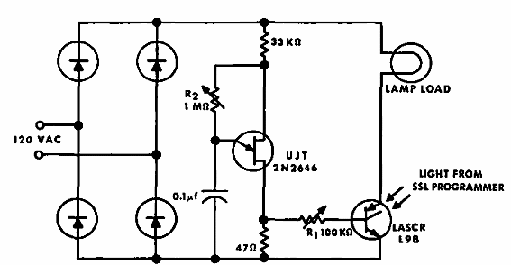
Este circuito se encontró en un manual de General Electric de 1970. Su propósito es proporcionar un precalentamiento a una lámpara incandescente.

Circuito de precalentamiento
Este circuito se encontró en un manual de General Electric de 1970. Su propósito es proporcionar un precalentamiento a una lámpara incandescente.
