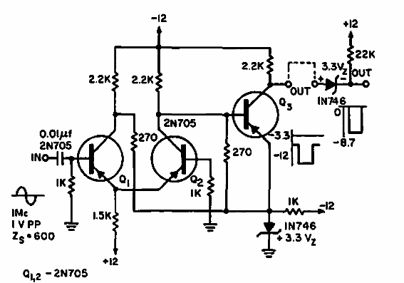
Encontramos este circuito en una Electronic Design de 1964. Los transistores pueden ser equivalentes modernos de propósito general. El circuito convierte una señal sinusoidal de 1 MHz en una señal rectangular.

Conversor sinusoidal a cuadrado
Encontramos este circuito en una Electronic Design de 1964. Los transistores pueden ser equivalentes modernos de propósito general. El circuito convierte una señal sinusoidal de 1 MHz en una señal rectangular.
