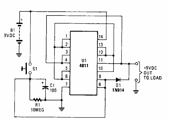
Encontrado en Popular Electronics desde los años 90, este circuito consiste en un temporizador que apaga la energía de un circuito después de un tiempo determinado por C1, ahorrando la batería.

Ahorro de batería
Encontrado en Popular Electronics desde los años 90, este circuito consiste en un temporizador que apaga la energía de un circuito después de un tiempo determinado por C1, ahorrando la batería.
