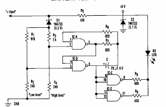
Encontrado en una Electronic Design de los años 90, este circuito indica tres niveles de tensión activando el LED en 3 modos: apagado, intermitente y encendido para alta tensión.

Circuito de prueba de batería
Encontrado en una Electronic Design de los años 90, este circuito indica tres niveles de tensión activando el LED en 3 modos: apagado, intermitente y encendido para alta tensión.
