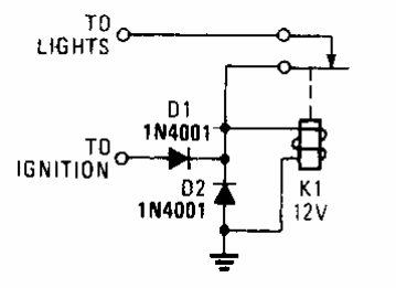
Este circuito se activa mediante la llave de contacto que, cuando se retira, emite un pitido de relé si las luces están encendidas. Tenga en cuenta que en este circuito, el relé en sí mismo se utiliza como oscilador. El circuito es de una popular Electronics de los años 90.

Recordatorio de luces encendidas



