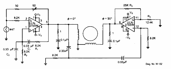
Sugerido por Sprague en la documentación de los 90, este circuito se aplica a motores de CA. La documentación no indica la potencia máxima del motor que se puede controlar.

Control de motor bifásico
Sugerido por Sprague en la documentación de los 90, este circuito se aplica a motores de CA. La documentación no indica la potencia máxima del motor que se puede controlar.
