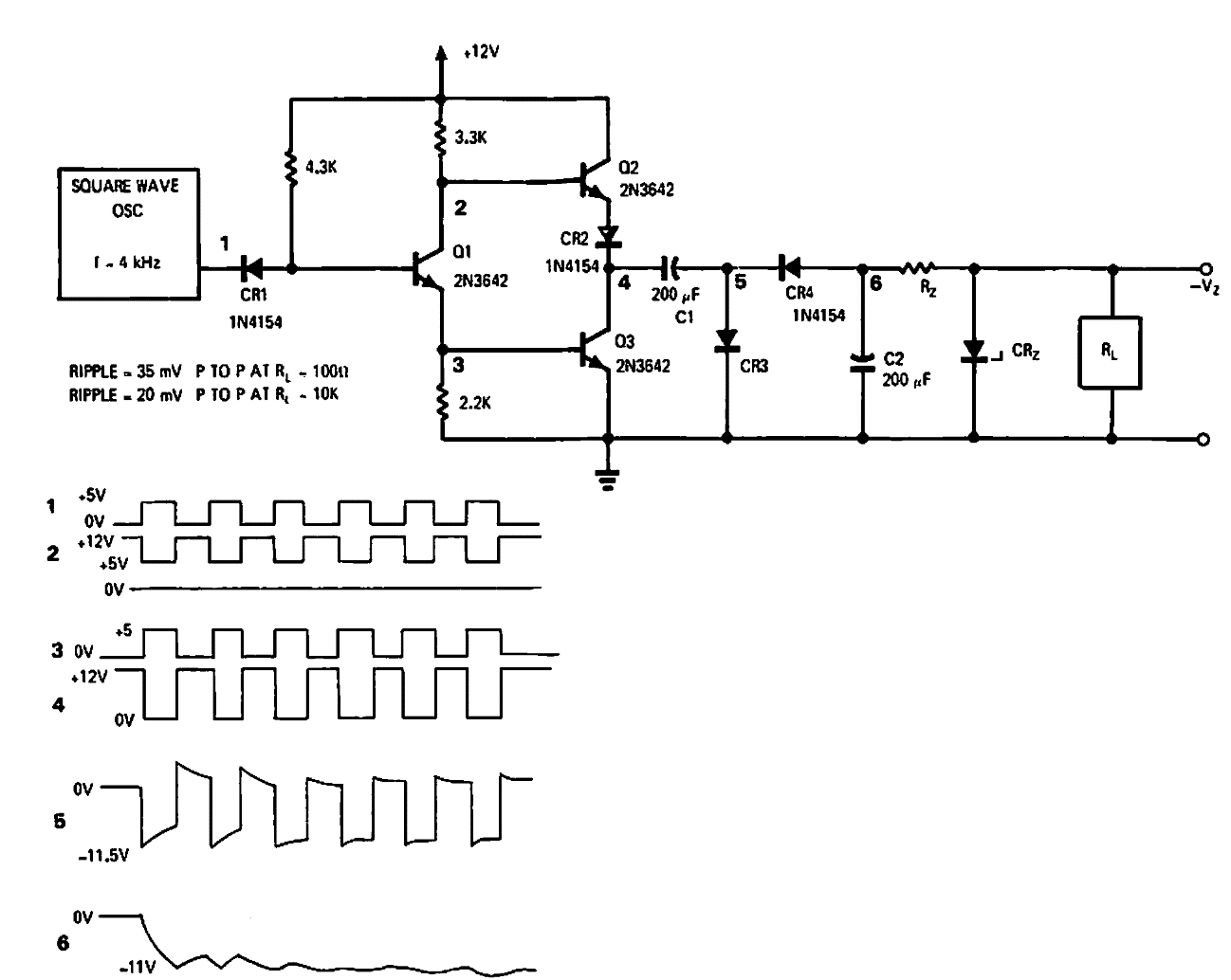
Este circuito proporciona un tensión de salida con aproximadamente el doble de la entrada utilizando dos transistores de potencia y un duplicador de tensión. El circuito es de un EDN de 1970.

 

Inversor sin transformador
Inversor sin transformador | Haga click en la imagen para ampliar |