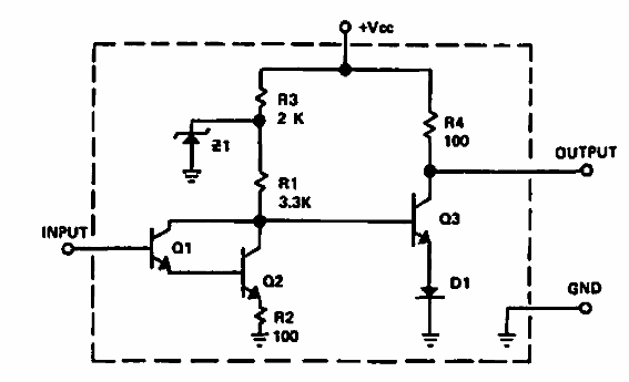
Encontrado en una documentación de Mallory de 1968, este circuito hace uso de un circuito integrado de la época.
La finalidad del circuito de la figura 1 es alimentar una carga con una corriente constante hasta 2 A a...
La finalidad de este circuito es convertir la velocidad de apertura y cierre de un sensor on/off...
Este circuito produce de corta duración en un LED a partir de una alimentación de sólo 1,5 V. La...