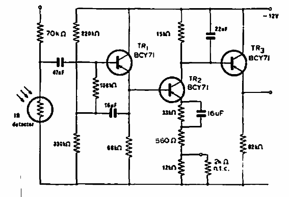
Encontrado en un manual de Mullard de 1968, este circuito mide la temperatura por radiación infrarroja. El sensor es del tipo que es difícil de obtener hoy.

Termómetro de radiación
Encontrado en un manual de Mullard de 1968, este circuito mide la temperatura por radiación infrarroja. El sensor es del tipo que es difícil de obtener hoy.
