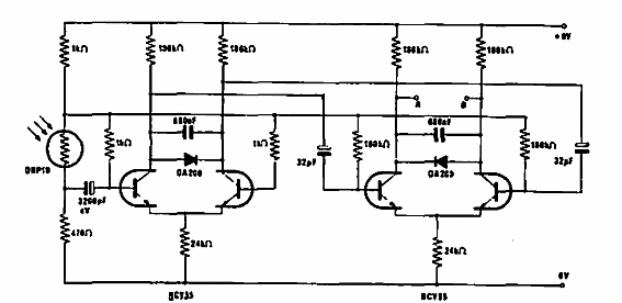
Encontrado en la documentación de Mullard de 1968, este circuito utiliza componentes de época. Los transistores son pares emparejados y el sensor es una fotocélula de indio de la época.

Alarma infrarroja
Encontrado en la documentación de Mullard de 1968, este circuito utiliza componentes de época. Los transistores son pares emparejados y el sensor es una fotocélula de indio de la época.
