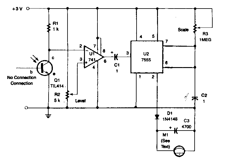
Usando un microamperímetro analógico, este circuito tiene un fototransistor adaptado a la rueda como sensor. El circuito es de documentación estadounidense de la década de 1980, pero los componentes utilizados son comunes hoy en día.

 

Velocímetro de bicicleta
Velocímetro de bicicleta | Haga click en la imagen para ampliar |