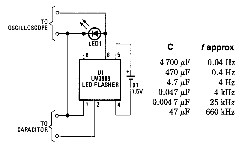
La frecuencia del parpadeo del LED depende del valor del capacitor probado de acuerdo con la tabla. Encontramos este circuito en una Popular Electronics de los años 80.
La finalidad del circuito de la figura 1 es alimentar una carga con una corriente constante hasta 2 A a...
La finalidad de este circuito es convertir la velocidad de apertura y cierre de un sensor on/off...
Este circuito produce de corta duración en un LED a partir de una alimentación de sólo 1,5 V. La...