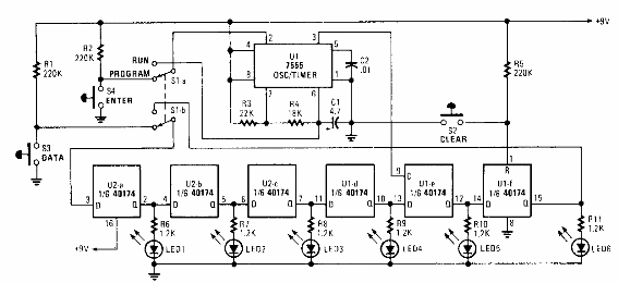
Este circuito secuencial de LED se encontró en una electrónica popular de los años 90. El circuito se puede programar y una adaptación consiste en utilizar acopladores ópticos para impulsar cargas de potencia.

Secuencial 40174
Este circuito secuencial de LED se encontró en una electrónica popular de los años 90. El circuito se puede programar y una adaptación consiste en utilizar acopladores ópticos para impulsar cargas de potencia.
