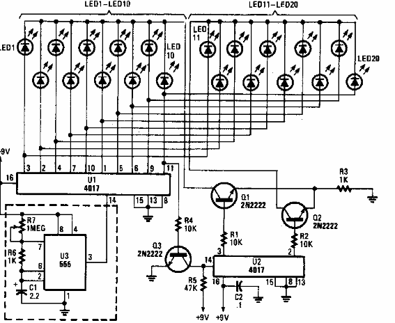
Este circuito se obtuvo en una antigua Popular Electronics. Hace uso de componentes bastante comunes. La velocidad del efecto se establece en R7. El circuito impulsa 20 LED.

Secuencial
Este circuito se obtuvo en una antigua Popular Electronics. Hace uso de componentes bastante comunes. La velocidad del efecto se establece en R7. El circuito impulsa 20 LED.
