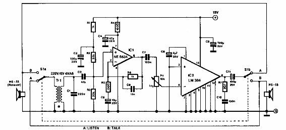
Este circuito se obtuvo en una vieja Elektor. Es una referencia, ya que los productos integrados de la época no son muy comunes hoy en día. La longitud máxima del cable entre estaciones no debe exceder algunas decenas de metros.

Intercomunicador LM384



