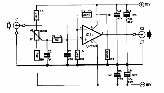
Encontrado en una Elektor de los años 90, este circuito es adecuado para ver señales de audio en un osciloscopio. El amplificador operacional admite equivalente.

Amplificador de instrumentación
Encontrado en una Elektor de los años 90, este circuito es adecuado para ver señales de audio en un osciloscopio. El amplificador operacional admite equivalente.
