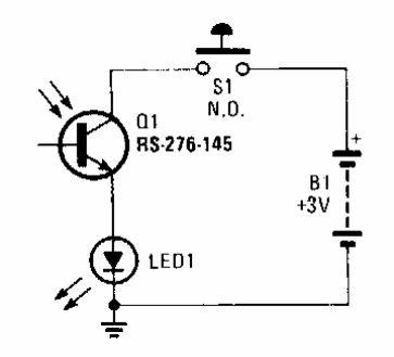
Este circuito fue encontrado en una vieja Popular Electronics. Con él podemos verificar el funcionamiento de un control remoto infrarrojo común.

Prueba de controles remotos
Este circuito fue encontrado en una vieja Popular Electronics. Con él podemos verificar el funcionamiento de un control remoto infrarrojo común.
