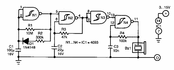
Encontrado en una revista europea de los años 90, este circuito emite pitidos que están separados por varios segundos para indicar que un dispositivo está encendido. El transductor es una cápsula de cerámica o cristal.

Indicador de dispositivo conectado



