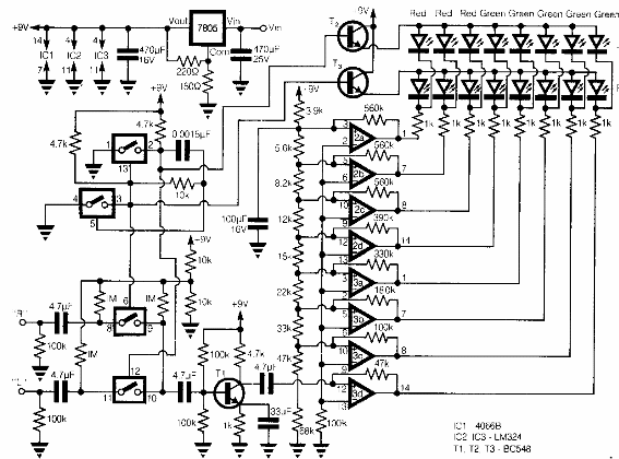
Encontrado en una Electronics Engineering, este circuito sofisticado utiliza componentes que todavía son comunes hoy en día. El circuito está conectado a la salida del amplificador estéreo.

Estéreo VU
Encontrado en una Electronics Engineering, este circuito sofisticado utiliza componentes que todavía son comunes hoy en día. El circuito está conectado a la salida del amplificador estéreo.
