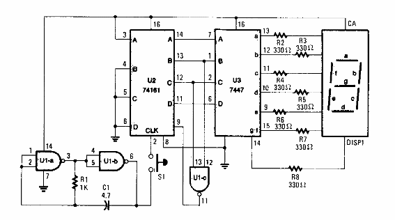
Encontrado en una electrónica popular antigua, este circuito aparece en otras variaciones en este sitio y en esta sección. Utiliza un display LED de ánodo común de 7 segmentos como indicador.

Dado electrónico
Encontrado en una electrónica popular antigua, este circuito aparece en otras variaciones en este sitio y en esta sección. Utiliza un display LED de ánodo común de 7 segmentos como indicador.
