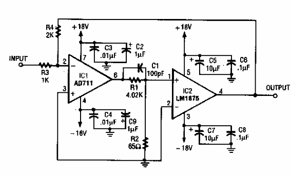
Este amplificador se obtuvo en un Electronics Now basado en el LM1875. El circuito debe ser alimentado por una fuente simétrica.

Amplificador de 10 W
Este amplificador se obtuvo en un Electronics Now basado en el LM1875. El circuito debe ser alimentado por una fuente simétrica.
