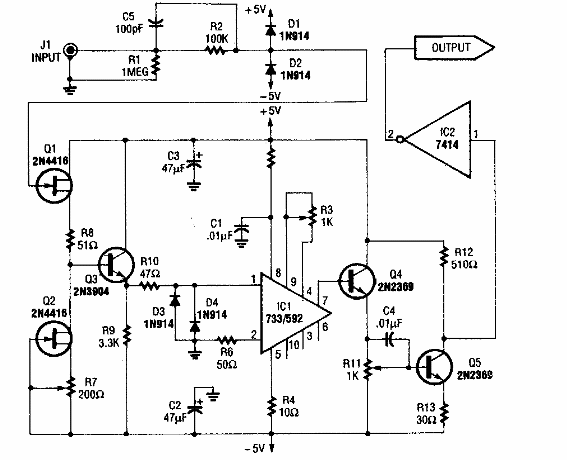
Encontrado en una vieja Radio Electronics, este circuito se aplica a medidores de frecuencia para frecuencias de hasta 100 MHz. La impedancia de entrada es del orden de 1 M ohms.

Amplificador de medidor de frecuencia
Encontrado en una vieja Radio Electronics, este circuito se aplica a medidores de frecuencia para frecuencias de hasta 100 MHz. La impedancia de entrada es del orden de 1 M ohms.
