Este circuito fue sugerido por una Popular Elecronics de los años 90. El circuito tiene una alta impedancia de entrada y alta ganancia de corriente. Se pueden utilizar transistores de propósito general.

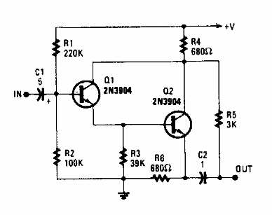
Paso Darlington Push Pull
Este circuito fue sugerido por una Popular Elecronics de los años 90. El circuito tiene una alta impedancia de entrada y alta ganancia de corriente. Se pueden utilizar transistores de propósito general.
